 |
IBM-AUSTRIA - PC-HW-Support 30 Aug 1999 |
Installing a Non-Hot-Plug Adapter
Installing a Non-Hot-Plug Adapter
This section
gives the procedure for installing a non-hot-plug adapter.
If you want to remove a non-hot-plug adapter, reverse the
steps.
Before you begin:
Refer to the following illustration while you perform the
steps in this procedure.
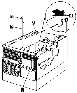
1 Expansion-slot cover screw
2 Expansion-slot cover
3 Adapter
4 Adapter retention latch
5 Hot-plug PCI adapter card positions.
To install a non-hot-plug adapter:
- Turn off the server and peripheral devices and
disconnect all external cables and power cords (see
'Preparing to Install Options'), then
remove the top cover (see 'Top Cover Removal').
- Determine which expansion slot you will use for the
adapter.
Note:
Check the instructions that come with the adapter
for any requirements or restrictions.
- Remove the expansion-slot cover -2-
If you are installing an adapter in PCI slot 1, 2, 3, or 4:
- See the illustration in 'Hot-Plug PCI Adapter Installation'
for operation of the adapter retention latch on the end of the
slot near the rear of the server.
- Rotate the adapter retention latch
counterclockwise.
- Lift the tab covering the top of the
expansion-slot cover and remove
expansion-slot cover from the server. Store
it in a safe place for future use.
If you are installing an adapter in PCI slot 5 or 6 or in the ISA slot:
- Remove the screw -1- on the top of the
expansion-slot cover -2-.
- Slide the expansion-slot cover out of the server.
- Store these items in a safe place for future use.
Expansion-slot covers must be installed on all
vacant slots. This maintains the electromagnetic
emissions characteristics of the system and
ensures proper cooling of system components.
- Refer to the documentation that comes with the
adapter for any cabling instructions. It might be
easier for you to route any cables before you install
the adapter.
- Remove the adapter from the static-protective
package.
Note:
Avoid touching the components and gold-edge
connectors on the adapter.
- Place the adapter, component-side up, on a flat,
static-protective surface.
- Set any jumpers or switches as described by the
adapter manufacturer.
- Install the adapter:
- Carefully grasp the adapter -3- by its top edge
or upper corners, and align it with the expansion
slot on the system board.
- Press the adapter firmly into the expansion slot.
When you install an adapter in the server,
be sure that it is completely and correctly
seated in the system-board connector before
you apply power. Incomplete insertion might
cause damage to the system board or the
adapter.
- If you are installing an adapter in PCI slots 1, 2, 3, or 4:
- Refer to the illustration in 'Hot-Plug PCI Adapter Installation'
for operation of the
adapter retention latch on the end of the slot
near the rear of the server.
- Lower the tab on the adapter guide over the tab
on the top corner of the adapter. Rotate the
adapter retention latch clockwise until it snaps
into place.
If you are installing an adapter in PCI slots 5 or 6 or
in the ISA slot:
- Align the rounded notch in the retaining bracket
with the threaded hole in the expansion-slot
frame. The retaining bracket on the adapter fits
into the space that was occupied by the
expansion-slot cover.
- Insert the expansion-slot screw -3- that you
removed earlier into the threaded hole, and push
the rounded notch up against the screw.
- Tighten the expansion-slot screw firmly.
Note:
The expansion slot also has an adapter
retention latch -4- at the end of the slot
toward the middle of the server. To remove
the adapter, you need to push this adapter
retention latch -4- away from the adapter
until the top edge of the adapter is past the latch.
- Connect any needed cables to the adapter.
- If you have other options to install or remove, do so
now, otherwise, go to Completing the Installation.
Back to 
More INFORMATION / HELP is available at the IBM-HelpCenter
Please see the LEGAL - Trademark notice.
Feel free - send a
for any BUG on this page found - Thank you.