Return to MAIN-Index  Return to SUB-Index    IBM-AUSTRIA - PC-HW-Support    30 Aug 1999

PC-300 / 6263, 6265, 6275, 6285 Pentium® II, Pentium® III, Celeron™ - System Board



PC 300 Series (Type 6263, 6265, 6275, 6285) Pentium® II, Pentium® III, Celeron™


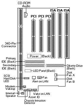
System Board Connectors

 

System Board

 

6263, 6265, 6275 - Riser Card - ISA/PCI

 


6285 - Riser Card - ISA/PCI

 

See Part-Two (fullscreen)