 |
IBM-AUSTRIA - PC-HW-Support 30 Aug 1999 |
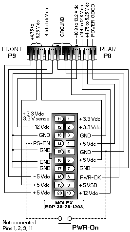
BAT <-> ATX - power supply
(2x6-pin BAT <-> 20-pin ATX)
For INFORMATION - Sample ONLY !
More INFORMATION / HELP is available at the IBM-HelpCenter
Please see the LEGAL - Trademark notice.
Feel free - send a
for any BUG on this page found - Thank you.