Backplane Configuration Jumpers (8650)



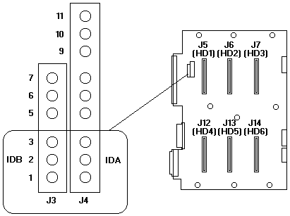
SCSI Drive ID, J3 and J4
 

         Jumper Pins               SCSI ID of Drive
  J3, IDA     J4, IDB       HD    HD    HD    HD    HD    HD
                            1     2     3     4     5     6

 --------------------------------------------------------------
    1-2         1-2         0     1     10    3     4     13
    1-2(1)      2-3(1)      0     1     2     3     4     5
    2-3         2-3         8     9     2     11    12    5
    2-3(2)      1-2(2)      8     9     10    11    12    13
 --------------------------------------------------------------
  (1)  Factory default setting for ARRAY models.
  (2)  Factory default setting for Non-ARRAY models.


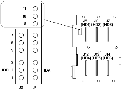
SCSI Flash Update Jumper, J4
 

Jumper Pins Description
10-11 Reserved
9-10(1) Normal


(1) Factory default setting.


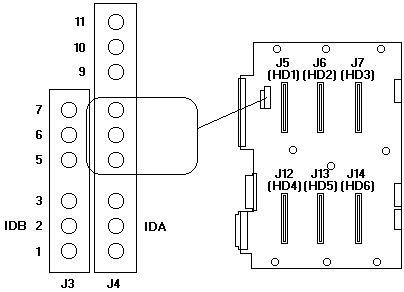
External Backplane Jumper
 

Jumper Pins Description
6-7 Reserved
5-6(1) Internal backplane (backplane
is installed in the server)


(1) Factory default setting.


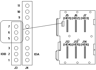
Secondary Jumper, J4
 

NOTE: When more than one backplane is installed in the server, the backplane in the upper position is jumpered as primary and the backplane in the lower position is jumpered as secondary.

Jumper Pins Description
6-7 Secondary
5-6(1) Primary


(1) Factory default setting.


Back to  Jump to TOP-of-PAGE
More INFORMATION / HELP is available at the  IBM-HelpCenter

Please see the LEGAL  -  Trademark notice.
Feel free - send a Email-NOTE  for any BUG on this page found - Thank you.