Return to MAIN-Index  Return to SUB-Index    IBM-AUSTRIA - PC-HW-Support    30 Aug 1999

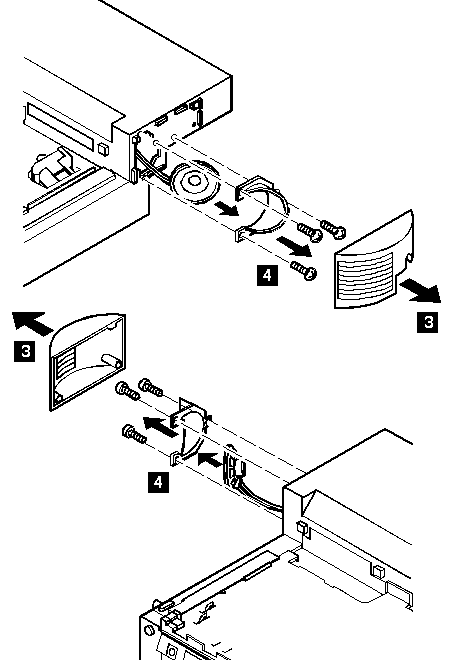
1110 Speaker and Speaker Cover Group (3546)



1110 Speaker and Speaker Cover Group

Removal

 

 

Step Color/type (quantity) Length
2 Binding head tapping screw (4)
Diameter: 3 mm (0.12 in.)
12 mm (0.47 in.)
4 Binding head tapping screw (6)
Diameter: 2.6 mm (0.10 in.)
8 mm (0.31 in.)


More INFORMATION / HELP is available at the  IBM-HelpCenter

Please see the LEGAL  -  Trademark notice.
Feel free - send a Email-NOTE  for any BUG on this page found - Thank you.