Return to MAIN-Index  Return to SUB-Index    IBM-AUSTRIA - PC-HW-Support    30 Aug 1999

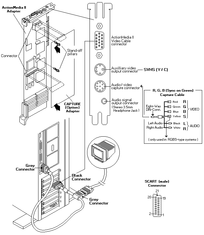
ActionMedia II Adapter/A


 

See Part-Two (fullscreen)